Тел: +38 (057) 720-91-19 Email: sales@aqteck.ua; support@aqteck.ua Viber (только текстовые сообщения) 61153, г. Харьков, ул. Гвардейцев Широнинцев, 3А 0-800-21-01-96
РусУкр
0-800-21-01-96 ТЕХПОДДЕРЖКА
( бесплатно со стационарных и мобильных телефонов по территории Украины )
ПЛК100. Программируемый логический контроллер

ПЛК100. Программируемый логический контроллер

Доступность: Стандартная модификация

ПРОИЗВОДСТВО ВРЕМЕННО ПРИОСТАНОВЛЕНОРЕКОМЕНДУЕТСЯ ЗАМЕНА - ПЛК200

ПЛК100 – моноблочный программируемый контроллер с дискретными входами и выходами, предназначенный для построения систем контроля и управления технологическими объектами на малых и средних объектах, а также реализации систем диспетчеризации.

Схема подключения ПЛК100-24.К Схема подключения ПЛК100-24.Р Схема подключения ПЛК100-220.Р

Схема подключения ПЛК100-24.К

Схема подключения ПЛК100-24.Р

Схема подключения ПЛК100-220.Р

 

Схемы подключения к ПЛК100 дискретных датчиков с полупроводниковым выходным каскадом

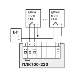
ПЛК100-220, датчик n-p-n типа ПЛК100-24, датчик p-n-p типа ПЛК100-24, датчик n-p-n типа

ПЛК100-220, датчик n-p-n типа

ПЛК100-24, датчик p-n-p типа

ПЛК100-24, датчик n-p-n типа

Примечание

Для подключения к ПЛК100-24 датчиков n-p-n по схеме «с общим минусом» рекомендуется использовать дополнительно устройство ПДИМ-8.

 

Кабели

Наименование

Изображение

Комментарии

Длина, м

КС1 Кабель КС1

Применяется для прошивки и программирования контроллеров:

- ПЛК100 (порт RS-232 DEBUG)

1,5

2,7

КС2

Кабель КС2

Применяется для соединения контроллеров ПЛК100 (порт RS-232 DEBUG) с панелями оператора ИП320 (порт RS-232), СП270, СП307, СП310 (порт PLC, RS-232)

1,5

2,7

КС3

Кабель КС3

Применяется для соединения контроллеров ПЛК100 (порт RS-232 DEBUG) с модемом ПМ01[M02] (порт RS-232, соединитель Х2)

1,5

Обратная связь