Тел: +38 (057) 720-91-19 Email: sales@aqteck.ua; support@aqteck.ua Viber (тільки текстові повідомлення) 61153, м. Харків, вул. Гвардійців Широнінців, 3А 0-800-21-01-96
РусУкр
0-800-21-01-96 ТЕХПІДТРИМКА
( безкоштовно зі стаціонарних і мобільних телефонів по території України )
Безконтактні індуктивні датчики серії LK

Безконтактні індуктивні датчики серії LK

ВИРОБНИЦТВО ТИМЧАСОВО ПРИЗУПИНЕНО

Індуктивні безконтактні вимикачі серії LK – це датчики, виконані у пластиковому компактному корпусі, що призначений для встановлення на площину. Застосовуються для моніторингу проміжних або кінцевих положень металевих частин, вузлів та механізмів.

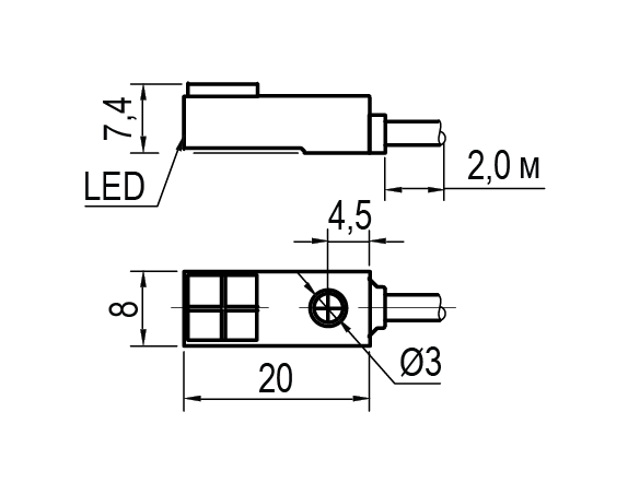
Ширина корпусу 8 мм

 

Модифікація LK08 Модифікація LKF08
Модифікація LK08 Модифікація LKF08

 

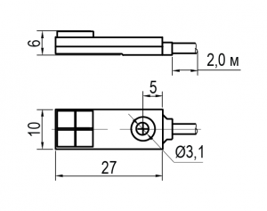
Ширина корпусу 10 мм

 

Модифікація LKF10

Модифікація LKF10

 

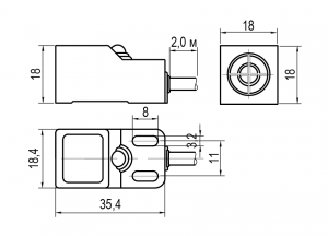
Ширина корпусу 18 мм

 

Модифікація LK18

Модифікація LKF18

Зворотній зв'язок