Тел: +38 (057) 720-91-19 Email: sales@aqteck.ua; support@aqteck.ua Viber (тільки текстові повідомлення) 61153, м. Харків, вул. Гвардійців Широнінців, 3А 0-800-21-01-96
РусУкр
0-800-21-01-96 ТЕХПІДТРИМКА
( безкоштовно зі стаціонарних і мобільних телефонів по території України )
БП15, БП30, БП60 для промислової автоматики

БП15, БП30, БП60 для промислової автоматики

ВИРОБНИЦТВО ТИМЧАСОВО ПРИЗУПИНЕНОРЕКОМЕНДОВАНА ЗАМІНА - БЖ110

Промислові блоки живлення БП15, БП30, БП60 призначені для живлення широкого спектру радіоелектронних пристроїв стабілізованою напругою постійного струму – релейної автоматики, контролерів тощо.

Номінальна вихідна потужність: 15, 30 та 60 Вт.

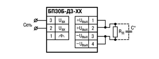
Схема підмикання БП15 Схема підмикання БП30
Схема підмикання БП15 Схема підмикання БП30
Схема стандартного підмикання БП60 Схема паралельного підмикання БП60 Схема послідовного підмикання БП60

Схема підмикання БП60.

Стандартне підмикання

Схема підмикання БП60.

Паралельне підмикання

Схема підмикання БП60.

Послідовне підмикання

Примітка. Якщо довжина дротів між блоком та навантаженням більше 1 м та відсутні вхідні конденсатори на вході навантаження, рекомендується паралельно навантаженню підімкнути керамічний конденсатор ємністю не менше 0,1 мкФ та напругою ≥1,5 Uвих блоку, що використовується.

Зворотній зв'язок