Тел: +38 (057) 720-91-19 Email: sales@aqteck.ua; support@aqteck.ua Viber (тільки текстові повідомлення) 61153, м. Харків, вул. Гвардійців Широнінців, 3А 0-800-21-01-96
РусУкр
0-800-21-01-96 ТЕХПІДТРИМКА
( безкоштовно зі стаціонарних і мобільних телефонів по території України )
БП30, БП60, БП120 для важких умов експлуатації

БП30, БП60, БП120 для важких умов експлуатації

ЗНЯТО З ВИРОБНИЦТВА РЕКОМЕНДОВАНА ЗАМІНА - БЖ110С

Блоки живлення БП30, БП60, БП120-C використовуються для живлення стабілізованою напругою 24 В постійного струму пристроїв автоматики та інших радіоелектронних пристроїв. 

Номінальна вихідна потужність: 30, 60 та 120 Вт.

Для підвищення вихідного струму або напруги є можливість підмикати блоки живлення БПх-С паралельно або послідовно.

Конструктивно ця лінійка блоків живлення АКУТЕК відрізняється виконанням основи. Її відлито із силумінового сплаву та забезпечує максимально ефективне відведення тепла під час роботи в умовах високих температур. 

Схема підмикання БП30-С. Стандартне підмикання

Схема підмиканя БП30-С.

Стандартне підмикання

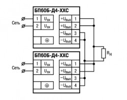
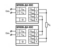
Схема підмикання БП60-С. Стандартне підмикання Схема підмикання БП60-С. Паралельне підмикання Схема підмикання БП60-С. Послідовне підмикання

Схема підмикання БП60-С.

Стандартне підмикання

Схема підмикання БП60-С.

Паралельне підмикання

Схема підмикання БП60-С.

Послідовне підмикання

Схема підмикання БП120-С. Стандартне підмикання Схема підмикання БП120-С. Паралельне підмикання Схема підмикання БП60-С. Послідовне підмикання

Схема підмикання БП120-С.

Стандартне підмикання

Схема підмикання БП120-С.

Паралельне підмикання

Схема підмикання БП120-С.

Послідовне підмикання

 

Примітка. Якщо довжина дротів між блоком та навантаженням понад 1 м і відсутня напруга на вході вхідних конденсаторів, рекомендується паралельно до навантаження підімкнути керамічний конденсатор ємністю не менше 0,1 мкФ та напругою ≥1,5 Uвих блоку, що використовується.

Зворотній зв'язок