Тел: +38 (057) 720-91-19 Email: sales@aqteck.ua; support@aqteck.ua Viber (тільки текстові повідомлення) 61153, м. Харків, вул. Гвардійців Широнінців, 3А 0-800-21-01-96
РусУкр
0-800-21-01-96 ТЕХПІДТРИМКА
( безкоштовно зі стаціонарних і мобільних телефонів по території України )
ПЧВ3. Перетворювач частоти векторний

ПЧВ3. Перетворювач частоти векторний

Доступність: Стандартна модифікація
Від 13 818.00 грн (залежить від модифікації)

Нова лінійка ПЧВ3 має розширені можливості, менші масогабаритні характеристики, збільшений діапазон потужностей. Крім стандартного виконання ПЧВ3 зі ступенем захисту корпуса IP20, нова лінійка містить 17 модифікацій частотних перетворювачів у діапазоні потужностей від 0,75 до 90 кВт зі ступенем захисту IP54. Такі перетворювачі частоти можуть бути встановлені у приміщеннях з підвищеним пило-та вологоутворенням без використання шафи керування, що значно спрощує монтаж обладнання, не вимагає створення системи примусової вентиляції та зменшує загальні витрати на систему автоматизації.

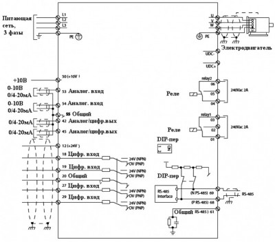
Схема електричних з'єднувань всіх клем перетворювача частоти ПЧВ3

Схема електричних з'єднувань всіх клем пристрою

 

Увага! Між клемами 05 (UDC + / BR +) та 06 (UDC) може бути напруга до 850 В. Між цими клемами немає захисту від короткого замикання!

Примітка – У модифікаціях ПЧВ3, потужністю від 30 кВт до 90 кВт виводи DC-шини (DC + та DC-) не передбачені.

Зворотній зв'язок