Тел: +38 (057) 720-91-19 Email: sales@aqteck.ua; support@aqteck.ua Viber (тільки текстові повідомлення) 61153, м. Харків, вул. Гвардійців Широнінців, 3А 0-800-21-01-96
РусУкр
0-800-21-01-96 ТЕХПІДТРИМКА
( безкоштовно зі стаціонарних і мобільних телефонів по території України )
РСУ100. Ротаційний сигналізатор (датчик) рівня для сипких середовищ
Доступність: Стандартна модифікація
Від 5 688.00 грн (залежить від модифікації)

РСУ100. Ротаційний сигналізатор (датчик) рівня для сипких середовищ

Доступність: Стандартна модифікація
Від 5 688.00 грн (залежить від модифікації)

Ротаційний сигналізатор рівня РСУ100 призначений для контролювання рівня сипких матеріалів у промисловості та сільському господарстві. Датчик рівня ротаційний застосовується для сигналізації сипких матеріалів з щільністю середовища від 300 г/л.

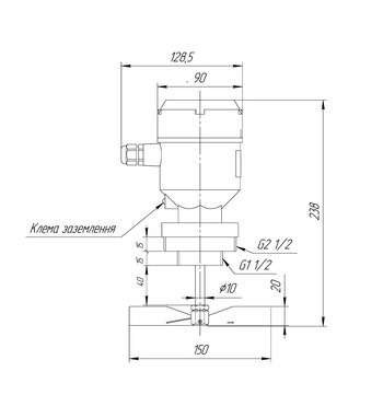
Габаритні розміри РСУ100-X.1.1 Габаритні розміри РСУ100-X.1.2

Габаритні розміри РСУ100-X.1.1

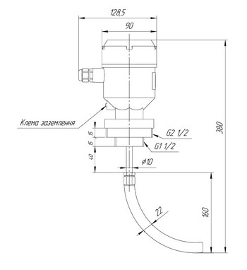
Габаритні розміри РСУ100-X.1.2
Габаритні розміри РСУ100-X.1.3 Габаритні розміри РСУ100-X.3.1
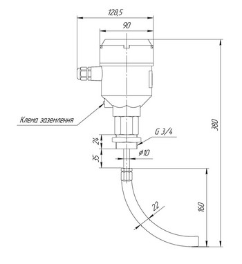
Габаритні розміри РСУ100-X.1.3 Габаритні розміри РСУ100-X.3.1
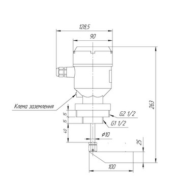
Габаритні розміри РСУ100-X.3.2 Габаритні розміри РСУ100-X.3.3
Габаритні розміри РСУ100-X.3.2 Габаритні розміри РСУ100-X.3.3

Зворотній зв'язок